40x100x4
Окончательная стоимость алюминиевого швеллера 40x100x4 зависит от сроков производства и количества необходимых заказчику. Для уточнения отправьте заявку и наши менеджеры свяжутся с Вами в ближайшее время.
Швеллер алюминиевый размером 40x100x4 мм, производимый компанией АГРИСОВГАЗ, представляет собой высококачественный и надежный материал для различных строительных и промышленных задач.
Компактные размеры 40x100 мм и толщина стенки 4 мм обеспечивают легкость и удобство в монтаже, сохраняя при этом необходимую жесткость и стабильность конструкции.
Продукция АГРИСОВГАЗ отвечает самым высоким стандартам качества, гарантируя долговечность и надежность вашего проекта.
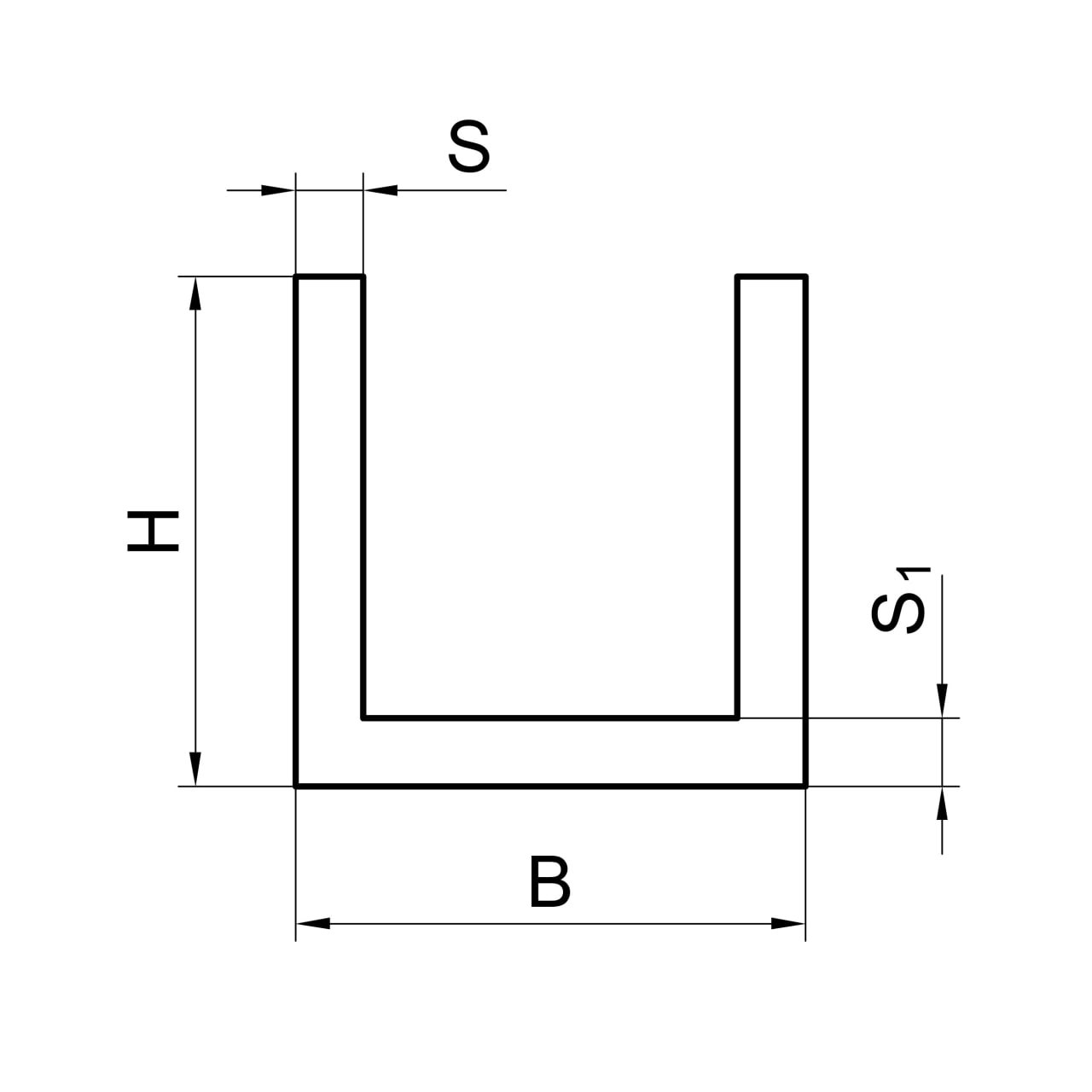
| Материал: | Алюминий |
| Высота (H): | 40 мм |
| Ширина (B): | 100 мм |
| Толщина (S): | 4 мм |
| Толщина (S1): | 4 мм |
| Вес: | 1,864 кг |
